kihua logo sinfonia logo
  | | |  
 
 
shinko_sinfonia_神钢电机离合器<SBM-90-02>

 

形 式

SBM-90-02
静摩擦トルク   Nm
2

定格電圧    DC-V

AC200/220V
消費電力    W(at75℃)
16

質量              kg

1.5

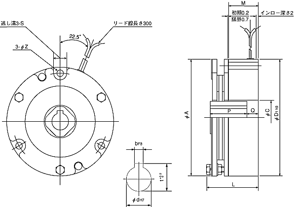
单位 : mm



A 90
C 27
D1 90


L 47
M 26
P 32
Q 10

P.C.D 80
S 11
Z 5.5

12
-
t -

关闭窗口

 
上海起华机械有限公司 Shanghai KIHUA Machinery Co., Ltd.@版权所有
|
首页 |品牌列表 |关于我们 |联系我们 |