kihua logo sinfonia logo
  | | |  
 
 

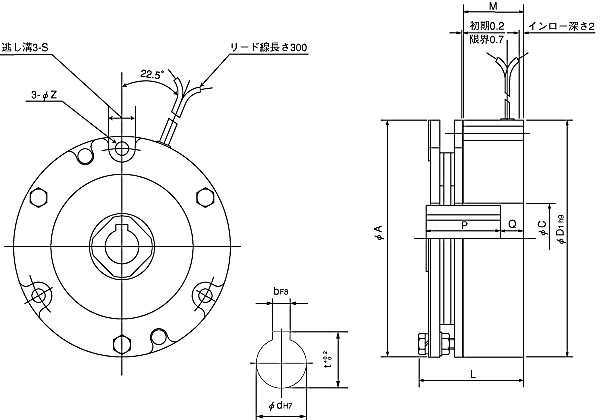
shinko_sinfonia_神钢电机离合器<SBM-160-37>

 

形 式

SBM-160-37
静摩擦トルク   Nm 37

定格電圧    DC-V

DC90V
消費電力    W(at75℃) 26

質量              kg

6.0

单位 : mm



A 160
C 50
D1 160


L 59
M 31
P 44
Q 9

P.C.D 143
S 16
Z 9

28
7
t 31


关闭窗口

 
上海起华机械有限公司 Shanghai KIHUA Machinery Co., Ltd.@版权所有
|
首页 |品牌列表 |关于我们 |联系我们 |