kihua logo sinfonia logo
  | | |  
 
 

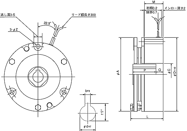
shinko_sinfonia_神钢电机离合器<SBM-140-15>

 

形 式

SBM-140-15
静摩擦トルク   Nm 15

定格電圧    DC-V

DC90V
消費電力    W(at75℃) 22

質量              kg

3.9

单位 : mm



A 140
C 40
D1 140


L 50
M 27
P 35
Q 11

P.C.D 126
S 13
Z 6.5

22
7
t 25


关闭窗口

 
上海起华机械有限公司 Shanghai KIHUA Machinery Co., Ltd.@版权所有
|
首页 |品牌列表 |关于我们 |联系我们 |