kihua logo sinfonia logo
  | | |  
 
 
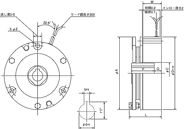
shinko_sinfonia_神钢电机离合器<SBM-115-07>

 

形 式

SBM-115-07
静摩擦トルク   Nm
7.5

定格電圧    DC-V

DC90V
消費電力    W(at75℃)
20

質量              kg

2.6


A 115
C 40
D1 115


L 50
M 27
P 35
Q 11

P.C.D 104
S 13
Z 6.5

18
5
t 20

关闭窗口

 
上海起华机械有限公司 Shanghai KIHUA Machinery Co., Ltd.@版权所有
|
首页 |品牌列表 |关于我们 |联系我们 |