kihua logo sinfonia logo
  | | |  
 
 
正反逆转型shinko_sinfonia_神钢电机离合器单元
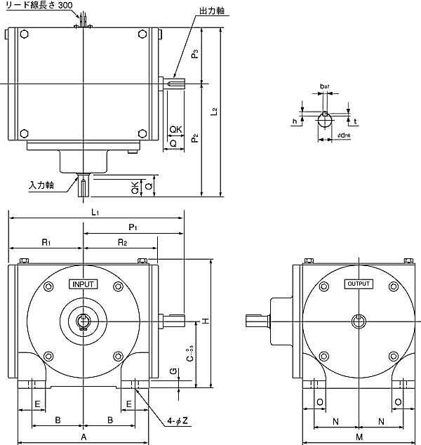
<RP-400>

 

形式

RP-400

ギヤ比

1/1
内蔵shinko_sinfonia_神钢电机离合器(各2台使用)
SF-400/BMS
静摩擦トルク Nm
28
定格電圧     DC-V
24
消費電力    W(at75℃)
8
質量            kg
15


A 220
B 95
C 100
E 50
G 12
H 200


L1 255
L2 260
M 180
N 75
O 40
P1 145
P2 170
P3 90
R1 110
R2 110
Z 10

Q 35
QK 30
d 16
b 5
h 5
t 3


DMP-20/24A






FMP-10DA

EMP-20DB

CSM-55DB

CMPH-100/4HA

关闭窗口

 
上海起华机械有限公司 Shanghai KIHUA Machinery Co., Ltd.@版权所有
|
首页 |品牌列表 |关于我们 |联系我们 |