kihua logo sinfonia logo
  | | |  
 
 
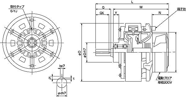
热管冷却式shinko_sinfonia_神钢电机制动器<PTB-5BL3>

 

形 式

PTB-5BL3
定格トルク    Nm
 50

定格電圧    DC-V

 24
消費電力    W(at75℃)
 54

質量              kg

 17


D 219
D1 74
i φ150


L  274.5
M  208
N  61.5
Y  23

YJ P.C.D 100
ネジ M6×13

Q 57
QK 47
d 25
b 7
h 7
t 4

关闭窗口

 
上海起华机械有限公司 Shanghai KIHUA Machinery Co., Ltd.@版权所有
|
首页 |品牌列表 |关于我们 |联系我们 |