kihua logo sinfonia logo
  | | |  
 
 

热管冷却式shinko_sinfonia_神钢电机制动器<PTB-20BL3>

 

形 式

PTB-20BL3
定格トルク    Nm 200

定格電圧    DC-V

24
消費電力    W(at75℃) 66

質量              kg

51.5

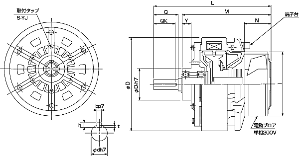
单位 : mm



D 335
D1 110
i 150


L 352.5
M 269.5
N 61.5
Y 25

付s
YJ P.C.D 150
ネジ M10x18

Q 71
QK 60
d 35
b 10
h 8
t 4.5

 

关闭窗口

 
上海起华机械有限公司 Shanghai KIHUA Machinery Co., Ltd.@版权所有
|
首页 |品牌列表 |关于我们 |联系我们 |