kihua logo sinfonia logo
  | | |  
 
 
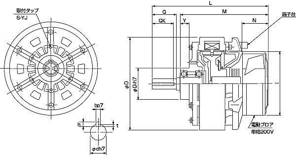
热管冷却式shinko_sinfonia_神钢电机制动器<PTB-10BL3>

 

形 式

PTB-10BL3
定格トルク    Nm
100

定格電圧    DC-V

24
消費電力    W(at75℃)
52.8

質量              kg

34.5


D 290
D1 100
i φ150


L  335
M  257
N  61.6
Y  25

YJ P.C.D 140
ネジ M10×18

Q 67
QK 56
d 30
b 7
h 7
t 4

关闭窗口

 
上海起华机械有限公司 Shanghai KIHUA Machinery Co., Ltd.@版权所有
|
首页 |品牌列表 |关于我们 |联系我们 |