kihua logo sinfonia logo
  | | |  
 
 

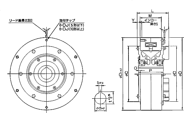
自然冷却式shinko_sinfonia_神钢电机制动器<PRB-5H>

 

形式
PRB-5H
静摩擦トルク     Nm
50

定格電圧     DC-V

24
消費電力    W(at75℃)
24.5

質量             kg

10

单位 : mm



C 149
D 195
D1 195


L 84.5
M 57
O 5
P 67
Y 8

YJ P.C.D 181
ネジ M6x12

d 30
b 7
t 33

 

关闭窗口

 
上海起华机械有限公司 Shanghai KIHUA Machinery Co., Ltd.@版权所有
|
首页 |品牌列表 |关于我们 |联系我们 |