kihua logo sinfonia logo
  | | |  
 
 
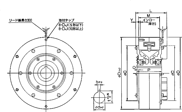
自然冷却式shinko_sinfonia_神钢电机制动器<PRB-2.5H>

 

形 式

PRB-2.5H
定格トルク    Nm
25

定格電圧    DC-V

24
消費電力    W(at75℃)
18.5

質量              kg

5.2


C 124
D 160
D1 160


L 73
M 47
O 6.5
P 60
Y 7.5

DJ P.C.D 148
ネジ M5×10

d 20
b 5
t 22

关闭窗口

 
上海起华机械有限公司 Shanghai KIHUA Machinery Co., Ltd.@版权所有
|
首页 |品牌列表 |关于我们 |联系我们 |