kihua logo sinfonia logo
  | | |  
 
 
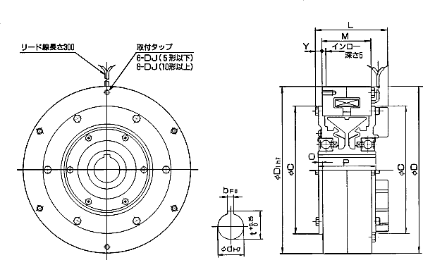
自然冷却式shinko_sinfonia_神钢电机制动器<PRB-10H>

 

形 式

PRB-10H
定格トルク    Nm
100

定格電圧    DC-V

24
消費電力    W(at75℃)
32

質量              kg

20


C 188
D 250
D1 250


L 104
M 68
O 5
P 78
Y 8.5

DJ P.C.D 233
ネジ M6×12

d 30
b 7
t 33

关闭窗口

 
上海起华机械有限公司 Shanghai KIHUA Machinery Co., Ltd.@版权所有
|
首页 |品牌列表 |关于我们 |联系我们 |