kihua logo sinfonia logo
  | | |  
 
 
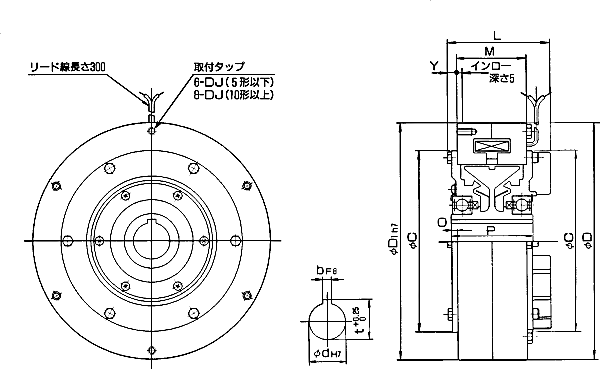
自然冷却式shinko_sinfonia_神钢电机制动器<PRB-1.2H>

 

形 式

PRB-1.2H
定格トルク    Nm
12

定格電圧    DC-V

24
消費電力    W(at75℃)
15

質量              kg

4

単位 : mm



C 109
D 136
D1 136


L 63
M 42
O 5.5
P 53
Y 7

DJ P.C.D 125
ネジ M5×10

d 15
b 5
t 17

关闭窗口

 
上海起华机械有限公司 Shanghai KIHUA Machinery Co., Ltd.@版权所有
|
首页 |品牌列表 |关于我们 |联系我们 |