kihua logo sinfonia logo
  | | |  
 
 

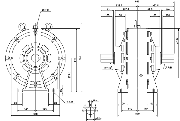
自然冷却式shinko_sinfonia_神钢电机离合器<POC-80>

 

形式
POC-80
静摩擦トルク     Nm
800

定格電圧     DC-V

24
消費電力    W(at75℃)
110

質量             kg

250

单位 : mm

 

关闭窗口

 
上海起华机械有限公司 Shanghai KIHUA Machinery Co., Ltd.@版权所有
|
首页 |品牌列表 |关于我们 |联系我们 |