kihua logo sinfonia logo
  | | |  
 
 

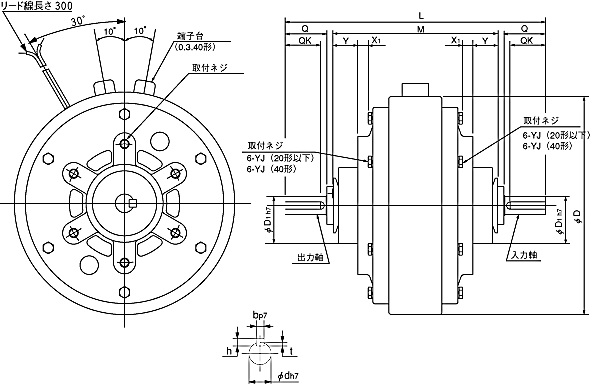
自然冷却式shinko_sinfonia_神钢电机制动器<POC-5>

 

形式
POC-5
静摩擦トルク     Nm
50

定格電圧     DC-V

24
消費電力    W(at75℃)
54

質量             kg

17

单位 : mm



D 219
D1 74


L 284
M 151
X1 2.5
Y 23

YJ P.C.D 100
ネジ M6x13

Q 57
QK 47
d 25
b 7
h 7
t 4

 

关闭

窗口

 
上海起华机械有限公司 Shanghai KIHUA Machinery Co., Ltd.@版权所有
|
首页 |品牌列表 |关于我们 |联系我们 |