kihua logo sinfonia logo
  | | |  
 
 

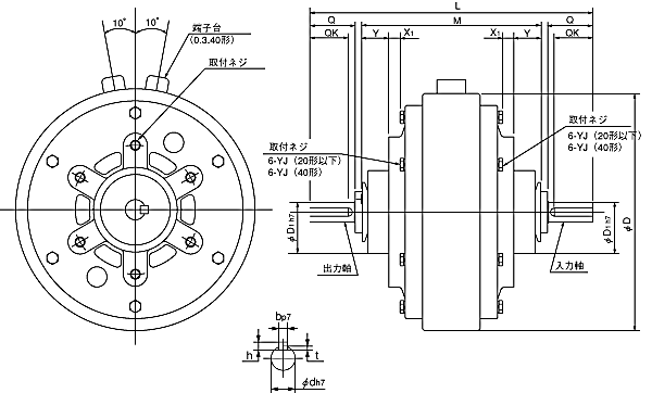
自然冷却式shinko_sinfonia_神钢电机离合器<POC-40>

 

形式
POC-40
静摩擦トルク     Nm
400

定格電圧     DC-V

24
消費電力    W(at75℃)
92

質量             kg

100

单位 : mm



D 395
D1 130


L 490
M 278
X1 22.5
Y 33

YJ P.C.D 200
ネジ M12x20

Q 92
QK 80
d 45
b 12
h 8
t 4.5

 

关闭窗口

 
上海起华机械有限公司 Shanghai KIHUA Machinery Co., Ltd.@版权所有
|
首页 |品牌列表 |关于我们 |联系我们 |