kihua logo sinfonia logo
  | | |  
 
 

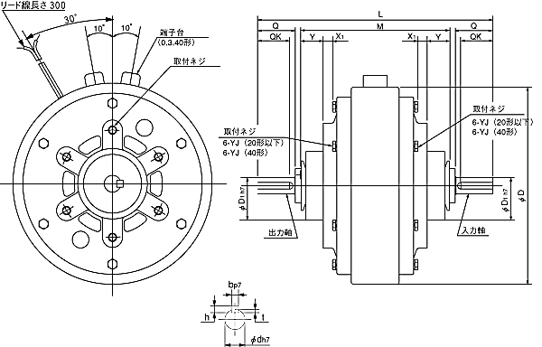
自然冷却式shinko_sinfonia_神钢电机离合器<POC-20>

 

形式
POC-20
静摩擦トルク     Nm
200

定格電圧     DC-V

24
消費電力    W(at75℃)
66

質量             kg

58

单位 : mm



D 335
D1 110


L 382
M 216
X1 10.5
Y 25

YJ P.C.D 150
ネジ M10x18

Q 71
QK 60
d 35
b 10
h 8
t 4.5

 

关闭窗口

 
上海起华机械有限公司 Shanghai KIHUA Machinery Co., Ltd.@版权所有
|
首页 |品牌列表 |关于我们 |联系我们 |