kihua logo sinfonia logo
  | | |  
 
 

自然冷却式shinko_sinfonia_神钢电机制动器<POC-2.5>

 

形式
POC-2.5
静摩擦トルク     Nm
25

定格電圧     DC-V

24
消費電力    W(at75℃)
30

質量             kg

10

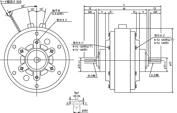
单位 : mm



D 182
D1 55


L 227.5
M 123.5
X1 2
Y 15

YJ P.C.D 78
ネジ M6x13

Q 43
QK 35
d 20
b 5
h 5
t 3

 

关闭窗口

 
上海起华机械有限公司 Shanghai KIHUA Machinery Co., Ltd.@版权所有
|
首页 |品牌列表 |关于我们 |联系我们 |