kihua logo sinfonia logo
  | | |  
 
 

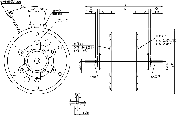
自然冷却式shinko_sinfonia_神钢电机离合器<POC-10>

 

形式
POC-10
静摩擦トルク     Nm
100

定格電圧     DC-V

24
消費電力    W(at75℃)
52.8

質量             kg

35

单位 : mm



D 290
D1 100


L 348
M 192
X1 7.5
Y 25

YJ P.C.D 140
ネジ M6x13

Q 67
QK 56
d 30
b 7
h 7
t 4

 

关闭窗口
 
上海起华机械有限公司 Shanghai KIHUA Machinery Co., Ltd.@版权所有
|
首页 |品牌列表 |关于我们 |联系我们 |