kihua logo sinfonia logo
  | | |  
 
 

自然冷却式shinko_sinfonia_神钢电机离合器<POC-0.6>

 

形式
POC-0.6
静摩擦トルク     Nm
6

定格電圧     DC-V

24
消費電力    W(at75℃)
22.5

質量             kg

3.6

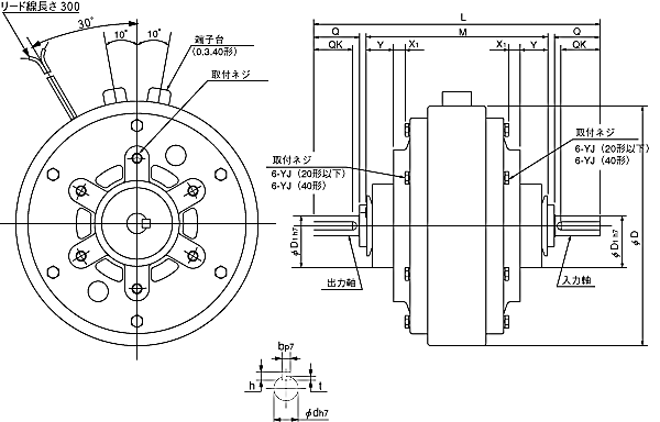
单位 : mm



D 120
D1 42


L 155
M 90
X1 2.2
Y 10

YJ P.C.D 64
ネジ M5x10

Q 26
QK 22
d 12
b 4
h 4
t 2.5

 

关闭窗口

 
上海起华机械有限公司 Shanghai KIHUA Machinery Co., Ltd.@版权所有
|
首页 |品牌列表 |关于我们 |联系我们 |