kihua logo sinfonia logo
  | | |  
 
 

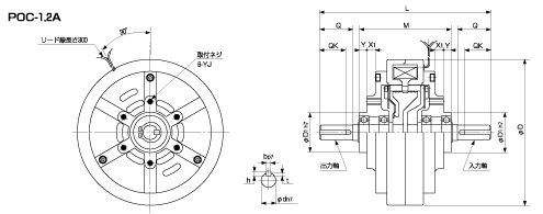
自然冷却式<POC-1.2A>

 

形式
POC-1.2A
静摩擦トルク     Nm
12

定格電圧     DC-V

24
消費電力    W(at75℃)
20.4

質量             kg

5.5

单位 : mm



D 152
D1 42


L 178
M 96
X1 9
Y 8

YJ P.C.D 64
ネジ M6x13

Q 34.5
QK 27
d 15
b 5
h 5
t 3

 

关闭窗口

 
上海起华机械有限公司 Shanghai KIHUA Machinery Co., Ltd.@版权所有
|
首页 |品牌列表 |关于我们 |联系我们 |