kihua logo sinfonia logo
  | | |  
 
 

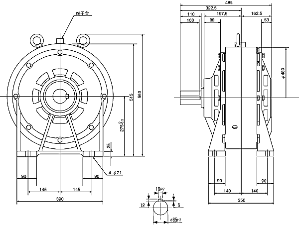
自然冷却式<POB-80>

 

形 式

POB-80
定格トルク    Nm 800

定格電圧    DC-V

24
消費電力    W(at75℃) 110

質量              kg

260

単位 : mm

 

关闭窗口

 
上海起华机械有限公司 Shanghai KIHUA Machinery Co., Ltd.@版权所有
|
首页 |品牌列表 |关于我们 |联系我们 |