kihua logo sinfonia logo
  | | |  
 
 

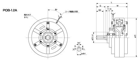
自然冷却式<POB-1.2>

 

形 式

POB-1.2
定格トルク    Nm 12

定格電圧    DC-V

24
消費電力    W(at75℃) 20.4

質量              kg

4.9

単位 : mm



D 152
D1 42


L 120
M 79
X -
X1 9
Y 8

YJ P.C.D 64
ネジ M6x13

Q 34.5
QK 27
d 15
b 5
h 5
t 3

 

关闭窗口

 
上海起华机械有限公司 Shanghai KIHUA Machinery Co., Ltd.@版权所有
|
首页 |品牌列表 |关于我们 |联系我们 |