kihua logo sinfonia logo
  | | |  
 
 

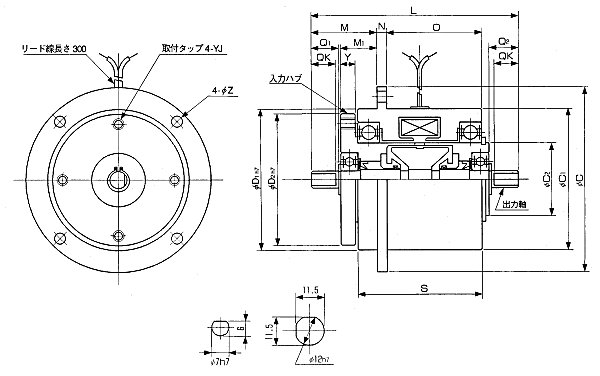
电磁shinko_sinfonia_神钢电机离合器<PMC-20A3>

 

形式
PMC-20A3
静摩擦トルク     Nm
2

定格電圧     DC-V

24
消費電力    W(at75℃)
15

質量             kg

1.34

单位 : mm



C 92
C1 69
C2 35
D1 69
D2 54


L 116
M 47
M1 22
N 4
O 32
S 51
Y 6

Z P.C.D 82
ネジ 4.5
YJ P.C.D 46
ネジ M4x6

Q1 24
Q2 25
QK 20

关闭窗口

 
上海起华机械有限公司 Shanghai KIHUA Machinery Co., Ltd.@版权所有
|
首页 |品牌列表 |关于我们 |联系我们 |