kihua logo sinfonia logo
  | | |  
 
 

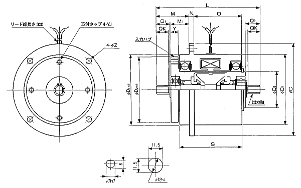
电磁shinko_sinfonia_神钢电机离合器<PMC-10A3>

 

形式
PMC-10A3
静摩擦トルク     Nm
1

定格電圧     DC-V

24
消費電力    W(at75℃)
13.5

質量             kg

0.90

单位 : mm



C 76
C1 58
C2 30
D1 58
D2 54


L 85
M 27
M1 15
N 4
O 39
S 51
Y 6

Z P.C.D 68
ネジ 4.5
YJ P.C.D 46
ネジ M4x6

Q1 11
Q2 12
QK 10

 

关闭窗口

 
上海起华机械有限公司 Shanghai KIHUA Machinery Co., Ltd.@版权所有
|
首页 |品牌列表 |关于我们 |联系我们 |