kihua logo sinfonia logo
  | | |  
 
 

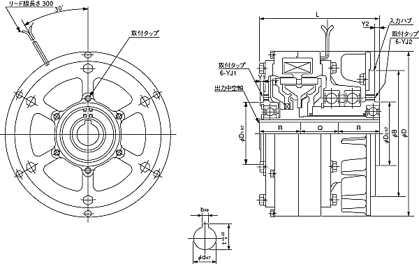
自动通风式shinko_sinfonia_神钢电机离合器<PHC-20R>

 

形式
PHC-20R
静摩擦トルク     Nm
200

定格電圧     DC-V

24
消費電力    W(at75℃)
66

質量             kg

70

单位 : mm



B 220
D 335
D2 130
D1 130


L 222
Q 69
R 75
Y1 4
Y2 9

Z P.C.D 150
ネジ M10x13.5
YJ P.C.D 150
ネジ M10x15

Q1 55
Q2 15
QK 60

 

关闭窗口

 
上海起华机械有限公司 Shanghai KIHUA Machinery Co., Ltd.@版权所有
|
首页 |品牌列表 |关于我们 |联系我们 |