kihua logo sinfonia logo
  | | |  
 
 

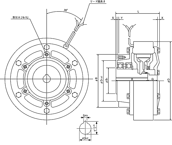
自动通风式shinko_sinfonia_神钢电机离合器<PHC-2.5R>

 

形 式

PHC-2.5R
定格トルク    Nm
 25

定格電圧    DC-V

 24
消費電力    W(at75℃)
 30

質量              kg

 9.0

単位 : mm



B 129
B1 70
D 182
D1 102


L 116
R 87
Q 19.5
S 5
Y 4
X 5.5

YJ P.C.D 115
ネジ M6×12

d 25
b 7
t 28

关闭窗口

 
上海起华机械有限公司 Shanghai KIHUA Machinery Co., Ltd.@版权所有
|
首页 |品牌列表 |关于我们 |联系我们 |