kihua logo sinfonia logo
  | | |  
 
 

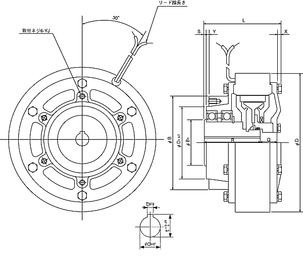
自动通风式shinko_sinfonia_神钢电机离合器<PHC-10R>

 

形 式

PHC-10R
定格トルク    Nm
 100

定格電圧    DC-V

 24
消費電力    W(at75??C)
 52.8

質量              kg

 38

単位 : mm



B 210
B1 100
D 290
D1 160


L 160
R 114
Q 28.5
S 5
Y 5
X 7.5

YJ P.C.D 180
ネジ M8×20

d 42
b 12
t 45.5

关闭窗口

 
上海起华机械有限公司 Shanghai KIHUA Machinery Co., Ltd.@版权所有
|
首页 |品牌列表 |关于我们 |联系我们 |