kihua logo sinfonia logo
  | | |  
 
 

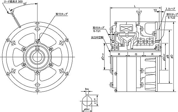
自动通风式shinko_sinfonia_神钢电机离合器<PHC-1.2R>

 

形式
PHC-1.2R
静摩擦トルク     Nm
12

定格電圧     DC-V

24
消費電力    W(at75℃)
23

質量             kg

5.7

单位 : mm



B 89
D 152
D2 45
D1 70


L 96
Q 46
R 25
Y1 4
Y2 4

Z P.C.D 80
ネジ M4x8
YJ P.C.D 55
ネジ M5x6

Q1 15
Q2 5
QK 17

 

关闭窗口

 
上海起华机械有限公司 Shanghai KIHUA Machinery Co., Ltd.@版权所有
|
首页 |品牌列表 |关于我们 |联系我们 |