kihua logo sinfonia logo
  | | |  
 
 

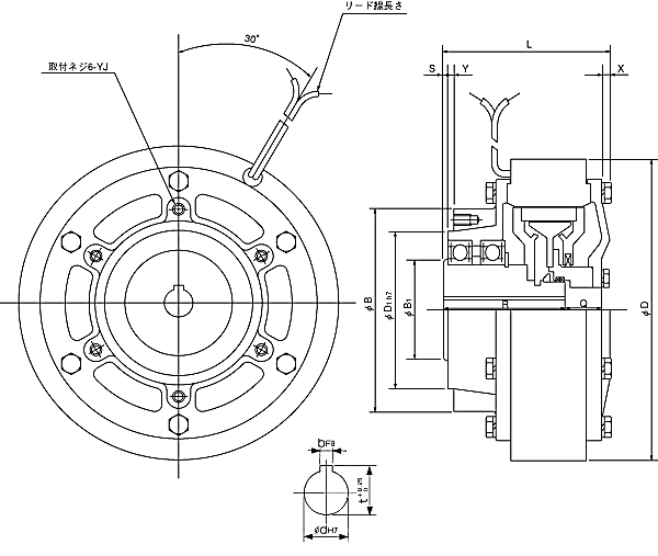
自动通风式shinko_sinfonia_神钢电机离合器<PHC-0.6R>

 

形 式

PHC-0.6R
定格トルク    Nm
 6

定格電圧    DC-V

 24
消費電力    W(at75??C)
 22.5

質量              kg

 4.0

単位 : mm



B 90
B1 45
D 134
D1 70


L 82.3
R 59.5
Q 18
S 2
Y 3
X 4.8

YJ P.C.D 80
ネジ M5×12

d 12
b 4
t 13.5

关闭窗口

 
上海起华机械有限公司 Shanghai KIHUA Machinery Co., Ltd.@版权所有
|
首页 |品牌列表 |关于我们 |联系我们 |