kihua logo sinfonia logo
  | | |  
 
 

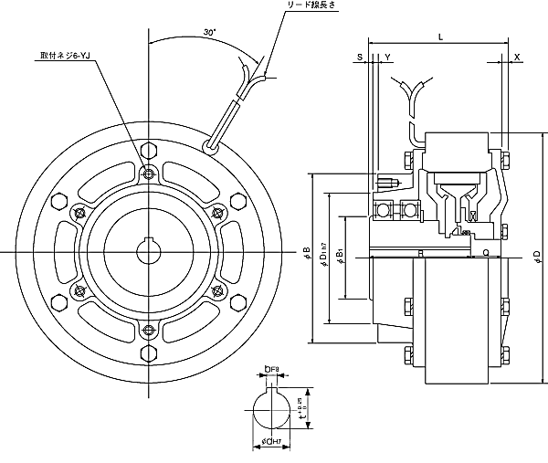
自然冷却式shinko_sinfonia_神钢电机制动器<PHB-5>

 

形式
PHB-5
静摩擦トルク     Nm
12

定格電圧     DC-V

24
消費電力    W(at75℃)
23

質量             kg

5.0

单位 : mm



B 157
B1 85
D 219
D1 128


L 133
R 95.5
Q 35.5
S 6.5
Y 5
X 5.5

YJ P.C.D 140
ネジ M6x15

d 32
b 10
t 35.5

 

关闭窗口

 
上海起华机械有限公司 Shanghai KIHUA Machinery Co., Ltd.@版权所有
|
首页 |品牌列表 |关于我们 |联系我们 |