kihua logo sinfonia logo
  | | |  
 
 

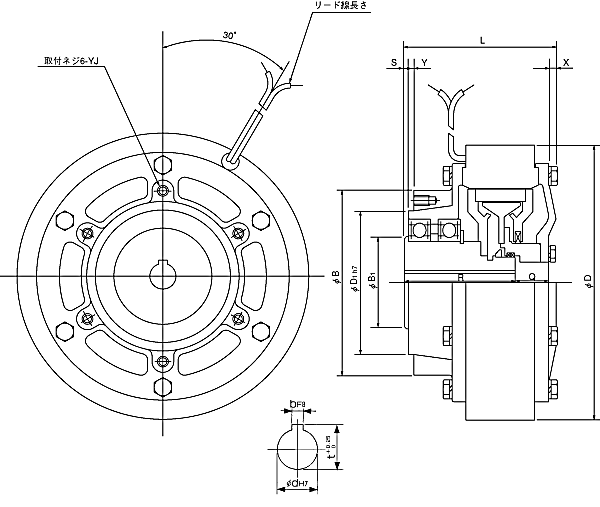
自然冷却式shinko_sinfonia_神钢电机制动器<PHB-1.2>

 

形式
PHB-1.2
静摩擦トルク     Nm
12

定格電圧     DC-V

24
消費電力    W(at75℃)
23

質量             kg

5.0

单位 : mm



B 102
B1 45
D 152
D1 75


L 85
R 59
Q 21
S 5
Y 4
X 5.5

YJ P.C.D 88
ネジ M6x10

d 15
b 5
t 17

 

关闭窗口

 
上海起华机械有限公司 Shanghai KIHUA Machinery Co., Ltd.@版权所有
|
首页 |品牌列表 |关于我们 |联系我们 |