kihua logo sinfonia logo
  | | |  
 
 
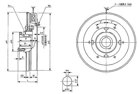
带刹车型shinko_sinfonia_神钢电机离合器<PBS-1525/IMS

 

形 式

PB-1525/IMS

静摩擦トルク   Nm

1000

定格電圧   DC-V

24
消費電力         W(at75℃)
25
質量       kg
26

单位 : mm




A 394
A1 104.8
C 387
D 228.62


L 107.4
M 44.7
P 70.2
P1 63.5
Q 30.2
X 7

NJ
本数
12
P.C.D
247.6
ボルト
M8x16
V 15

d 50
b 12
t

53.5



DMP-63/24A





TMP-40D

EMP-70DB

CSM-55DB

CMPH-250/4HB





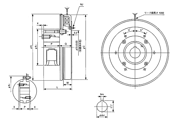
带刹车型shinko_sinfonia_神钢电机离合器<PBS-1525/IMP

 

形 式

PB-1525/IMP

静摩擦トルク   Nm

1000

定格電圧   DC-V

24
消費電力         W(at75℃)
25
質量       kg
27



A 394
A1 241.3
C 387
D 228.62


L 112.2
M 44.7
P 76.2
Q 36
X 8.5

NJ
本数
12
P.C.D
247.6
ボルト
M8x16
V 15

d 50
b 12
t

53.5



DMP-63/24A





TMP-40D

EMP-70DB

CSM-55DB

CMPH-250/4HB





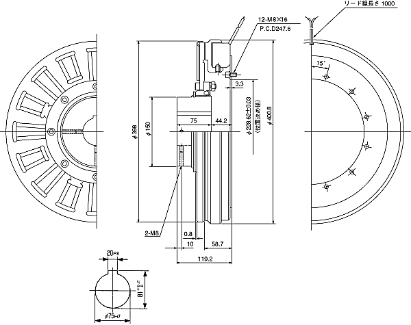
带刹车型shinko_sinfonia_神钢电机离合器<PBS-1525HT/IMS  

形 式

RF-1525HT/IMS

静摩擦トルク   Nm

1800

定格電圧   DC-V

24
消費電力         W(at75℃)
143
質量       kg
38

单位 : mm

电源箱 DMP-200/24

关闭窗口

 
上海起华机械有限公司 Shanghai KIHUA Machinery Co., Ltd.@版权所有
|
首页 |品牌列表 |关于我们 |联系我们 |