kihua logo sinfonia logo
  | | |  
 
 
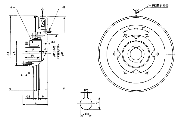
带刹车型shinko_sinfonia_神钢电机离合器<PB-1225/IMS

 

形 式

PB-1225/IMS

静摩擦トルク   Nm

650

定格電圧   DC-V

24
消費電力         W(at75℃)
22
質量       kg
19

单位 : mm




A 320
A1 104.8
C 311
D 161.97


L 104.2
M 41.5
P 70.2
P1 63.5
Q 27
X 7

NJ
本数
6
P.C.D
184.1
ボルト
M8x16
V 30

d 50
b 12
t

53.5



DMP-63/24A





TMP-40D

EMP-70DB

CSM-55DB

CMPH-250/4HB





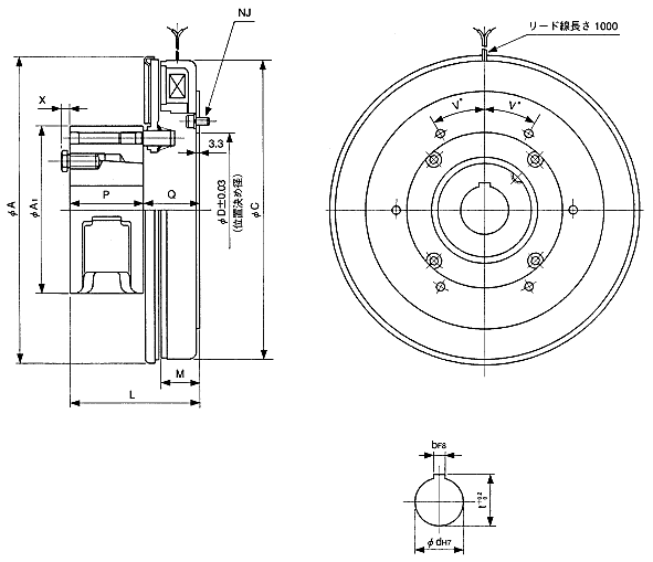
带刹车型shinko_sinfonia_神钢电机离合器<PBS-1225/IMP

 

形 式

PB-1225/IMP

静摩擦トルク   Nm

650

定格電圧   DC-V

24
消費電力         W(at75℃)
22
質量       kg
20



A 320
A1 174.6
C 311
D 161.97


L 134.4
M 41.5
P 76.2
Q 58.2
X 8.5

NJ
本数
6
P.C.D
184.1
ボルト
M8x16
V 30

d 50
b 12
t

53.5



DMP-63/24A





TMP-40D

EMP-70DB

CSM-55DB

CMPH-250/4HB

关闭窗口

 
上海起华机械有限公司 Shanghai KIHUA Machinery Co., Ltd.@版权所有
|
首页 |品牌列表 |关于我们 |联系我们 |