kihua logo sinfonia logo
  | | |  
 
 
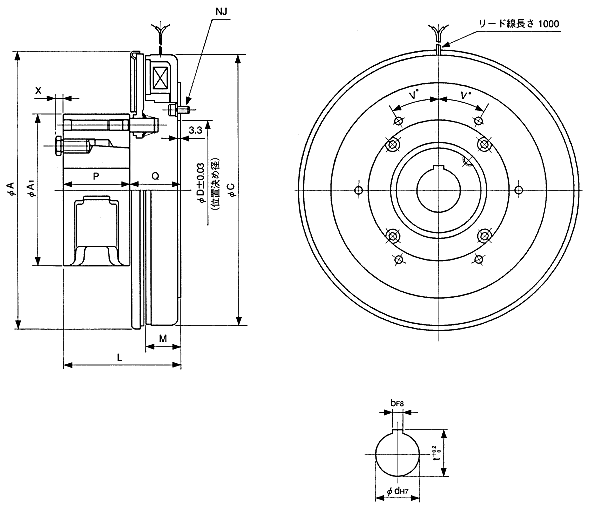
带刹车型shinko_sinfonia_神钢电机离合器<PB-1000/IMS

 

形 式

PB-1000/IMS

静摩擦トルク   Nm

350

定格電圧   DC-V

24
消費電力         W(at75℃)
27
質量       kg
12

单位 : mm




A 262
A1 104.8
C 256
D 136.57


L 97.7
M 37
P 70.2
P1 63.5
Q 20.5
X 7

NJ
本数
6
P.C.D
155.6
ボルト
M8x16
V 30

d 48
b 12
t

51.5



DMP-63/24A





TMP-40D

EMP-70DB

CSM-55DB

CMPH-250/4HB





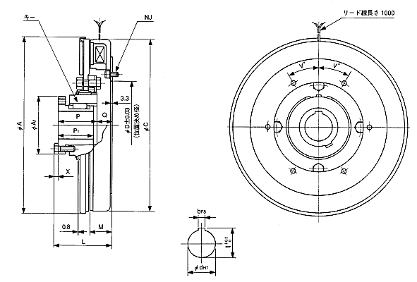
带刹车型shinko_sinfonia_神钢电机离合器<PBS-1000/IMP

 

形 式

PB-1000/IMP

静摩擦トルク   Nm

350

定格電圧   DC-V

24
消費電力         W(at75℃)
27
質量       kg
11

单位 : mm




A 262
A1 158.7
C 256
D 136.57


L 100.3
M 37
P 48.4
Q 51.9
X 7.5

NJ
本数
6
P.C.D
155.6
ボルト
M8x16
V 30

d 48
b 12
t

51.5



DMP-63/24A





TMP-40D

EMP-70DB

CSM-55DB

CMPH-250/4HB

关闭窗口

 
上海起华机械有限公司 Shanghai KIHUA Machinery Co., Ltd.@版权所有
|
首页 |品牌列表 |关于我们 |联系我们 |