kihua logo sinfonia logo
  | | |  
 
 
通轴型shinko_sinfonia_神钢电机离合器<NC-20-H>

 

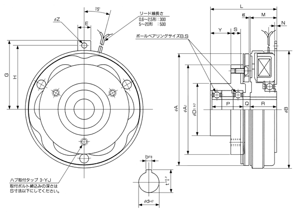
形式

NC-20-H
静摩擦トルク Nm
200
定格電圧     DC-V
24
消費電力   W(at75℃)
42
質量            kg
16

单位: mm



A 218
A1 180
B 228
D1 100
E 24
G 135
H 125


L 128.5
M 43
N 3.2
P 70
Q 12.5
R 43
S 18
Y 50
g
0.4 +0.2
0

YJ P.C.D 135
タップ M12
Z 8.5

d 40
b 10
t 43.5
B.S 6208


DMP-63/24A





EMP-70DB
CSM-55DB
CMPH-250/4HB

关闭窗口

 
上海起华机械有限公司 Shanghai KIHUA Machinery Co., Ltd.@版权所有
|
首页 |品牌列表 |关于我们 |联系我们 |