kihua logo sinfonia logo
  | | |  
 
 
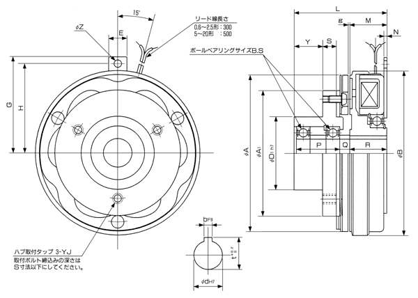
通轴型shinko_sinfonia_神钢电机离合器<NC-1.2-H>

 

形式

NC-1.2-H
静摩擦トルク Nm
12
定格電圧     DC-V
24
消費電力   W(at75℃)
11
質量            kg
1.3

单位 : mm



A 88
A1 72
B 92.5
D1 45
E 16
G 62
H 56


L 53
M 25.5
N 2
P 22
Q 4.3
R 25.5
S 6
Y 14.5
g
0.2 +0.1
0

YJ P.C.D 60
タップ M4
Z 5.5

d 15
b 5
t 17
B.S 6002


DMP-20/24A





TMP-10DA
EMP-20DB
CSM-55DB
CMPH-100/4HA

关闭窗口

 
上海起华机械有限公司 Shanghai KIHUA Machinery Co., Ltd.@版权所有
|
首页 |品牌列表 |关于我们 |联系我们 |