kihua logo sinfonia logo
  | | |  
 
 
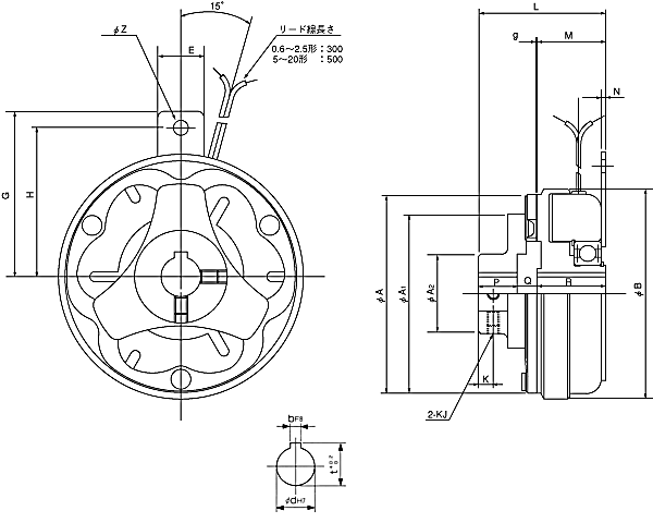
通轴型shinko_sinfonia_神钢电机离合器<NC-1.2-C>

 

形式

NC-1.2-C
静摩擦トルク Nm
12
定格電圧     DC-V
24
消費電力   W(at75℃)
11
質量            kg
1.2

单位 : mm



A 88
A1 72
A2 31
B 92.5
E 16
G 62
H 56


L 51.3
M 25.5
N 2
P 19
Q 6.8
R 25.5
g
0.2 +0.1
0


K 6
KJ M5
Z 5.5

d 15
b 5
t 17


DMP-20/24A





TMP-40D
EMP-20DB
CSM-55DB
CMPH-100/4HA

关闭窗口

 
上海起华机械有限公司 Shanghai KIHUA Machinery Co., Ltd.@版权所有
|
首页 |品牌列表 |关于我们 |联系我们 |