kihua logo sinfonia logo
  | | |  
 
 
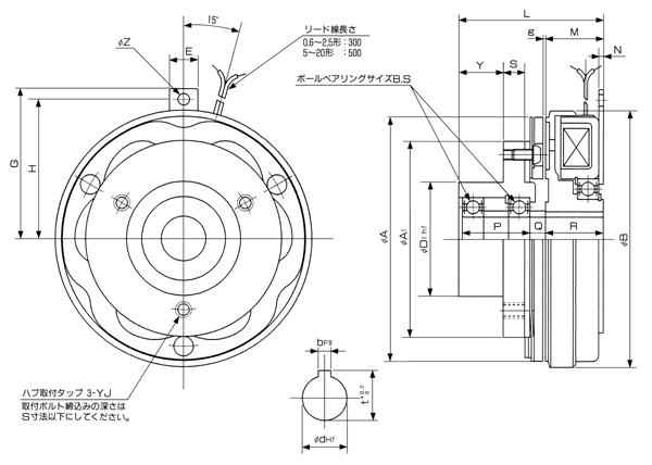
通轴型shinko_sinfonia_神钢电机离合器<NC-0.6-H>

 

形式

NC-0.6-H
静摩擦トルク Nm
6
定格電圧     DC-V
24
消費電力   W(at75℃)
8
質量            kg
0.72

单位 : mm



A 70
A1 58
B 74
E 14
G 50
H 45


L 48
M 23
N 1.6
P 20.5
Q 3
R 23
S 6
Y 13
g
0.2 +0.1
0

Y
J
P.C.D 46
タップ M3
Z 4.5

d 12
b 4
t 13.5
B.S 6001


DMP-20/24A





FMP-10DA
EMP-20DB
CSM-55DB
CMPH-100/4HA

关闭窗口

 
上海起华机械有限公司 Shanghai KIHUA Machinery Co., Ltd.@版权所有
|
首页 |品牌列表 |关于我们 |联系我们 |