kihua logo sinfonia logo
  | | |  
 
 
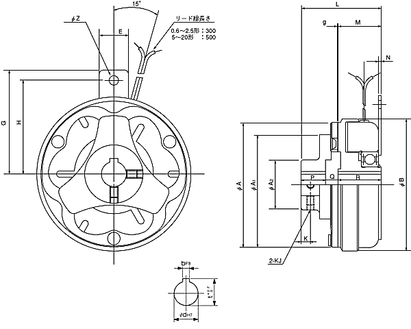
通轴型shinko_sinfonia_神钢电机离合器<NC-0.6-C>

 

形式

NC-0.6-C
静摩擦トルク Nm
6
定格電圧     DC-V
24
消費電力   W(at75℃)
8
質量            kg
0.66


A 70
A1 58
A2 28
B 74
E 14
G 50
H 45


L 42.8
M 23
N 1.6
P 13
Q 6.8
R 23
g
0.2 +0.1
0


K 5
KJ M4
Z 4.5

d 12
b 4
t 13.5


EMP-20DB





CSM-55DB
CMPH-100/4HA
SDK2574.DXF
%46%

关闭窗口

 
上海起华机械有限公司 Shanghai KIHUA Machinery Co., Ltd.@版权所有
|
首页 |品牌列表 |关于我们 |联系我们 |