kihua logo sinfonia logo
  | | |  
 
 
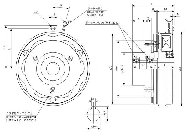
通轴型shinko_sinfonia_神钢电机离合器<NC-5-H>

 

形式

NC-5-H
静摩擦トルク Nm
50
定格電圧     DC-V
24
消費電力   W(at75℃)
25
質量            kg
4.1

单位 : mm



A 137
A1 110
B 144
D1 64
E 16
G 84
H 78


L 80.5
M 33
N 2.6
P 38
Q 7.5
R 33
S 12
Y 25
g
0.2 +0.15
0

YJ P.C.D 80
タップ M8
Z 6.5

d 25
b 7
t 28
B.S 6005


DMP-63/24A





TMP-40D
EMP-70DB
CSM-55DB
CMPH-250/4HB

 

关闭窗口

 
上海起华机械有限公司 Shanghai KIHUA Machinery Co., Ltd.@版权所有
|
首页 |品牌列表 |关于我们 |联系我们 |