kihua logo sinfonia logo
  | | |  
 
 
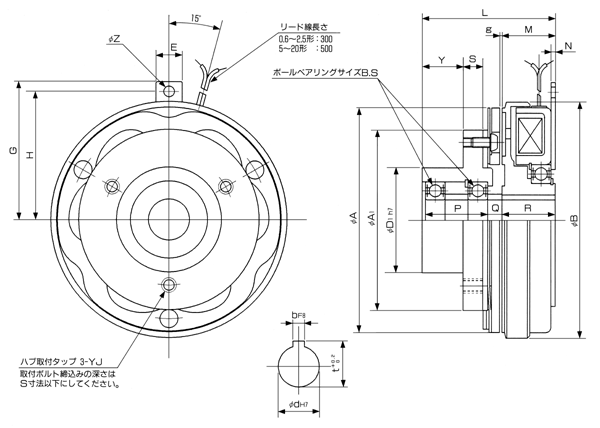
通轴型shinko_sinfonia_神钢电机离合器<NC-2.5-H>

 

形式

NC-2.5-H
静摩擦トルク Nm
25
定格電圧     DC-V
24
消費電力   W(at75℃)
17
質量            kg
2.3

单位 : mm



A 110
A1 90
B 116
D1 55
E 16
G 71
H 65


L 64
M 29
N 2
P 28
Q 6
R 29
S 8
Y 18
g
0.2 +0.1
0

YJ P.C.D 70
タップ M5
Z 6.5

d 20
b 5
t 22
B.S 6004


DMP-63/24A





TMP-40DA
EMP-20DB
CSM-55DB
CMPH-100/4HA

 

关闭窗口

 
上海起华机械有限公司 Shanghai KIHUA Machinery Co., Ltd.@版权所有
|
首页 |品牌列表 |关于我们 |联系我们 |