kihua logo sinfonia logo
  | | |  
 
 
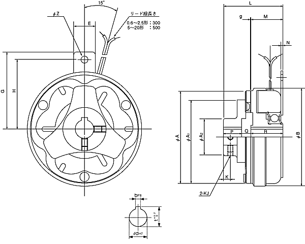
通轴型shinko_sinfonia_神钢电机离合器<NC-2.5-C>

 

形式

NC-2.5-C
静摩擦トルク Nm
25
定格電圧     DC-V
24
消費電力   W(at75℃)
17
質量            kg
2.2


A 110
A1 90
A2 40
B 116
E 16
G 71
H 65


L 61
M 29
N 2
P 24
Q 8
R 29
g
0.2 +0.1
0


K 6
KJ M5
Z 6.5

d 20
b 5
t 22


DMP-63/24A





TMP-40D
EMP-20DB
CSM-55DB
CMPH-100/4HA

关闭窗口

 
上海起华机械有限公司 Shanghai KIHUA Machinery Co., Ltd.@版权所有
|
首页 |品牌列表 |关于我们 |联系我们 |