kihua logo sinfonia logo
  | | |  
 
 
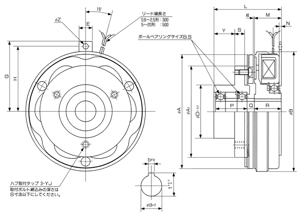
通轴型shinko_sinfonia_神钢电机离合器<NC-10-H>

 

形式

NC-10-H
静摩擦トルク Nm
100
定格電圧     DC-V
24
消費電力   W(at75℃)
33
質量            kg
8.0

单位 : mm



A 172
A1 140
B 180
D1 75
E 24
G 110
H 100


L 99.5
M 37
N 3.2
P 52
Q 8.5
R 37
S 14
Y 35
g
0.3 +0.15
0

YJ P.C.D 105
タップ M10
Z 8.5

d 30
b 7
t 33
B.S 6006


DMP-63/24A





TMP-40D
EMP-70DB
CSM-55DB
CMPH-250/4HB

关闭窗口

 
上海起华机械有限公司 Shanghai KIHUA Machinery Co., Ltd.@版权所有
|
首页 |品牌列表 |关于我们 |联系我们 |