kihua logo sinfonia logo
  | | |  
 
 
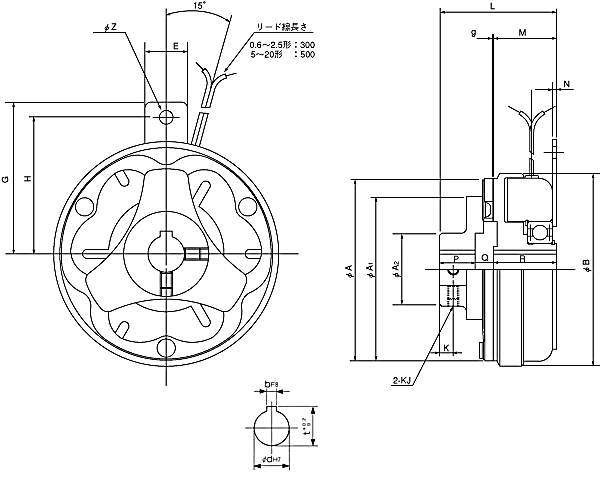
通轴型shinko_sinfonia_神钢电机离合器<NC-10-C>

 

形式

NC-10-C
静摩擦トルク Nm
100
定格電圧     DC-V
24
消費電力   W(at75℃)
33
質量            kg
7.3

单位 : mm



A 172
A1 140
A2 65
B 180
E 24
G 110
H 100


L 87.5
M 37
N 3.2
P 38
Q 12.5
R 37
g
0.3 +0.15
0


K 10
KJ M8
Z 8.5

d 30
b 7
t 33


DMP-63/24A





TMP-40D
EMP-70DB
CSM-55DB
CMPH-250/4HB

关闭窗口

 
上海起华机械有限公司 Shanghai KIHUA Machinery Co., Ltd.@版权所有
|
首页 |品牌列表 |关于我们 |联系我们 |