kihua logo sinfonia logo
  | | |  
 
 
无毂型shinko_sinfonia_神钢电机离合器<NB-5-C>

 

形式

NB-5-C
静摩擦トルク Nm
50
定格電圧     DC-V
24
消費電力   W(at75℃)
22
質量            kg
2.7


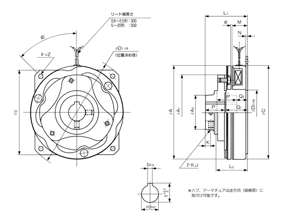
A 137
A1 110
A2 50
C 137
D1 165
D2 65
I 124


L1 61.5
L2 45.5
M 23
N 2.6
P 29
Q1 32.5
Q2 15.5
g
0.2 +0.15
0


K 8
KJ M6
Z P.C.D 150
穴径 6.5

d 25
b 7
t 28


DMP-63/24A






TMP-40D

EMP-70DB

CSM-55DB

CMPH-250/4HB

关闭窗口

 
上海起华机械有限公司 Shanghai KIHUA Machinery Co., Ltd.@版权所有
|
首页 |品牌列表 |关于我们 |联系我们 |