kihua logo sinfonia logo
  | | |  
 
 
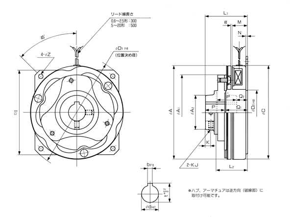
无毂型shinko_sinfonia_神钢电机离合器<NB-20-C>

 

形式

NB-20-C
静摩擦トルク Nm
200
定格電圧     DC-V
24
消費電力   W(at75℃)
31
質量            kg
10


A 218
A1 180
A2 80
C 218
D1 265
D2 100
I 200


L1 93.5
L2 67.5
M 29
N 3
P 50
Q1 43.5
Q2 17.5
g
0.4 +0.2
0


K 15
KJ M8
Z P.C.D 240
穴径 11

d 40
b 10
t 43.5


DMP-63/24A






EMP-70DB

CSM-55DB

CMPH-250/4HB

关闭窗口

 
上海起华机械有限公司 Shanghai KIHUA Machinery Co., Ltd.@版权所有
|
首页 |品牌列表 |关于我们 |联系我们 |