kihua logo sinfonia logo
  | | |  
 
 
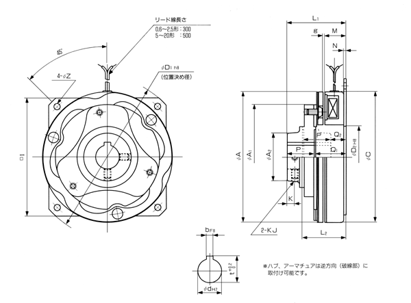
无毂型shinko_sinfonia_神钢电机离合器<NB-2.5-C>

 

形式

NB-2.5-C
静摩擦トルク Nm
25
定格電圧     DC-V
24
消費電力   W(at75℃)
17
質量            kg
1.5



A 110
A1 90
A2 40
C 110
D1 135
D2 52
I 100


L1 53
L2 39.5
M 21
N 2
P 24
Q1 29
Q2 13
g
0.2 +0.1
0


K 6
KJ M5
Z P.C.D 122
穴径 6.5

d 20
b 5
t 22


DMP-63/24A






TMP-40D

EMP-20DB

CSM-55DB

CMPH-100/4HA

关闭窗口

 
上海起华机械有限公司 Shanghai KIHUA Machinery Co., Ltd.@版权所有
|
首页 |品牌列表 |关于我们 |联系我们 |