kihua logo sinfonia logo
  | | |  
 
 
无毂型shinko_sinfonia_神钢电机离合器<NB-10-C>

 

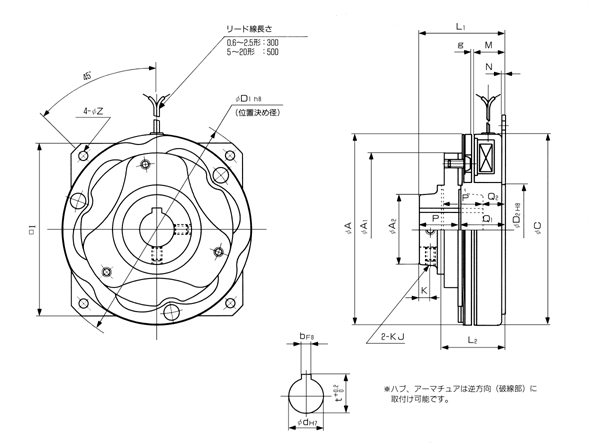
形式

NB-10-C
静摩擦トルク Nm
100
定格電圧     DC-V
24
消費電力   W(at75℃)
27
質量            kg
5.1


A 172
A1 140
A2 65
C 172
D1 210
D2 80
I 160


L1 75.5
L2 55.5
M 25
N 3
P 38
Q1 37.5
Q2 15.5
g
0.3 +0.15
0


K 10
KJ M8
Z P.C.D 190
穴径 8.5

d 30
b 7
t 33


DMP-63/24A






TMP-40D

EMP-70DB

CSM-55DB

CMPH-250/4HB

关闭窗口

 
上海起华机械有限公司 Shanghai KIHUA Machinery Co., Ltd.@版权所有
|
首页 |品牌列表 |关于我们 |联系我们 |