kihua logo sinfonia logo
  | | |  
 
 
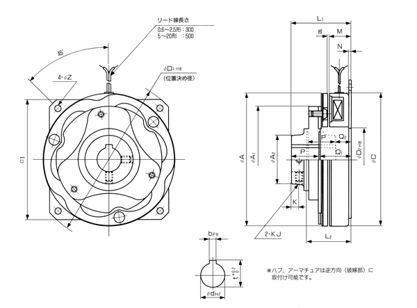
无毂型shinko_sinfonia_神钢电机离合器<NB-1.2-C>

 

形式

NB-1.2-C
静摩擦トルク Nm
12
定格電圧     DC-V
24
消費電力   W(at75℃)
11
質量            kg
0.84

单位 : mm



A 88
A1 72
A2 31
C 88
D1 110
D2 45
I 84


L1 45.8
L2 35
M 20
N 2
P 19
Q1 26.8
Q2 13
g
0.2 +0.1
0


K 6
KJ M5
Z P.C.D 98
穴径 5.5

d 15
b 5
t 17


DMP-20/24A






TMP-40D

EMP-20DB

CSM-55DB

CMPH-100/4HA

关闭窗口

 
上海起华机械有限公司 Shanghai KIHUA Machinery Co., Ltd.@版权所有
|
首页 |品牌列表 |关于我们 |联系我们 |