kihua logo sinfonia logo
  | | |  
 
 
无毂型shinko_sinfonia_神钢电机离合器<NB-1.2-T>

 

形式

NB-1.2-T
静摩擦トルク Nm
12
定格電圧     DC-V
24
消費電力   W(at75℃)
11
質量            kg
0.65

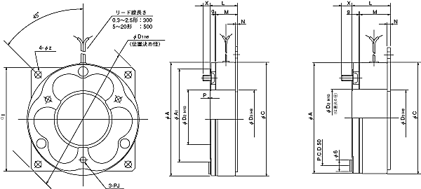
单位 : mm



A 88
A1 72
C 88
D1 110
D2 42
D3 45
I 84


L 27
M 20
N 2
P 2
g
0.2 +0.1
0
X 4.5


PJ P.C.D 60
ボルト M4x8
Z P.C.D 98
穴径 5.5


DMP-20/24A






TMP-40D

EMP-20DB

CSM-55DB

CMPH-100/4HA

 

关闭窗口

 
上海起华机械有限公司 Shanghai KIHUA Machinery Co., Ltd.@版权所有
|
首页 |品牌列表 |关于我们 |联系我们 |